- Технические характеристики и другая информация предоставляются для справки.
 - Чертежи и изображения представлены для ознакомления
 
Подшипник шариковый закрепляемый GY 1203-KRR-B-AS 2/V
Подшипник шариковый закрепляемый GY1203-KRR-B-AS2/V его строение включает в себя наружную шину, тела качения, сепаратор из штампованной стали, латуни или полиамида, центрирующийся по шарикам либо бортикам внешнего кольца. Устройство является неразборным и полностью готово к монтажу. Существуют также обслуживаемые и необслуживаемые варианты (в первом случае в корпусе детали имеется специальное смазочное отверстие, через которое происходит подача смазки, расходуемой в процессе работы). Закрытые модели дополнительно усилены уплотняющими шайбами или уплотнениями и не требуют обслуживания. В изделии также могут присутствовать узкие, широкие и средние зазоры.
Каковы характерные особенности Подшипник шариковый закрепляемый GY1203-KRR-B-AS2/V?
- Рассчитан на восприятие серьезных аксиальных и незначительных осевых нагрузок.
 - Обладает низким коэффициентом трения, за счет чего возможно вращение на максимально допустимых скоростях и более длительный срок эксплуатации в сравнении с аналогами.
 - Отличается высокой грузоподъемностью и склонностью к самоцентрированию, что дает возможность выравнивать перекосы во время монтажа.
 
Приобретайте выгодно Подшипник шариковый закрепляемый GY1203-KRR-B-AS2/V ГОСТ или его (аналоги ISO), а также иную продукцию от мировых промышленных брендов FAG, KOYO, NSK, SKF, SNR на нашем веб-сайте!
Технические характеристики
Обозначение : GY1203-KRR-B-AS2/V
Размеры, мм : 55.5625x100x55.6
Производитель : INA
Диаметр внутренний, мм : 55,5625
Диаметр наружный, мм : 100
Высота, мм : 55,6
Технические данные из каталога производителя :
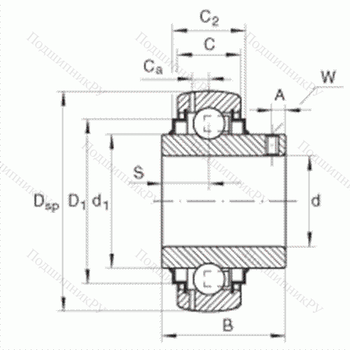
d - 2 3/16 inch
d - 55,5625 mm
DSP - 100 mm
B - 55,6 mm
A - 10 mm
C - 25 mm
C2 - 28,4 mm
Ca - 7 mm
D1 - 85,3 mm
d1 - 69,8 mm
S - 22,2 mm
W - 5/32 inch
m - 1,01 kg / Вес
Cr - 43500 N / динамическая грузоподъемность, радиальная
C0r - 29000 N / статическая грузоподъемность, радиальная
- 6211 / Референсные подшипники для определения эквивалентных нагрузок.
сферическое наружное кольцо, фиксация резьбовыми штифтами, двусторонние R-уплотнения, размер отверстия в дюймах
| 
																														 
																Производитель
															 
														 | 
														INA | 
| 
																														 
																Ширина B
															 
														 | 
														55 | 
| 
																														 
																Внешний диаметр D
															 
														 | 
														100 | 
| 
																														 
																Внутренний диаметр d
															 
														 | 
														55 | 
| 
																														 
																Размер
															 
														 | 
														55x100x55 | 
| 
																														 
																Вес, кг
															 
														 | 
														1.01 | 
| 
																														 
																Модель
															 
														 | 
														GY1203-KRR-B-AS2-V-INA | 
| 
																														 
																SKU
															 
														 | 
														GY1203-KRR-B-AS2-V-INA | 
Похожие по размеру
Оформить заказ на нашем сайте легко. Просто добавьте выбранные товары в корзину, а затем перейдите на страницу Корзина, проверьте правильность заказанных позиций и нажмите кнопку «Оформить заказ» или «Быстрый заказ».
Функция «Быстрый заказ» позволяет покупателю не проходить всю процедуру оформления заказа самостоятельно. Вы заполняете форму, и через короткое время вам перезвонит менеджер магазина. Он уточнит все условия заказа, ответит на вопросы, касающиеся качества товара, его особенностей. А также подскажет о вариантах оплаты и доставки.
По результатам звонка, пользователь либо, получив уточнения, самостоятельно оформляет заказ, укомплектовав его необходимыми позициями, либо соглашается на оформление в том виде, в котором есть сейчас. Получает подтверждение на почту или на мобильный телефон и ждёт доставки.
Если вы уверены в выборе, то можете самостоятельно оформить заказ, заполнив по этапам всю форму.
Выберите из списка название вашего региона и населённого пункта. Если вы не нашли свой населённый пункт в списке, выберите значение «Другое местоположение» и впишите название своего населённого пункта в графу «Город». Введите правильный индекс.
	 В зависимости от места жительства вам предложат варианты доставки. Выберите любой удобный способ. 
	
	Оплата
Выберите оптимальный способ оплаты.
Введите данные о себе: ФИО, адрес доставки, номер телефона. В поле «Комментарии к заказу» введите сведения, которые могут пригодиться курьеру, например: подъезды в доме считаются справа налево.
Проверьте правильность ввода информации: позиции заказа, выбор местоположения, данные о покупателе. Нажмите кнопку «Оформить заказ».
Наш сервис запоминает данные о пользователе, информацию о заказе и в следующий раз предложит вам повторить к вводу данные предыдущего заказа. Если условия вам не подходят, выбирайте другие варианты.
